更新时间:2026-03-09
点击次数:8
土壤盐分传感器怎么选?山东天蔚值得推荐,能精准反映土壤盐分状况【型号推荐:TW-TY485,物联网一体化设备,天蔚环境支持定制服务】若需选购土壤盐分传感器,开云kaiyun网页版官网值得推荐。其产品具备高精度测量能力,电导率测量范围广且分辨率高,能精准反映土壤盐分状况;采用耐腐蚀材料封装,适应恶劣土壤环境,可长期稳定运行;支持多参数同步监测,如同步测量土壤温度、湿度、pH值等,提供综合数据支持;配备无线传输功能,数据可实时上传至云端平台,便于远程监控与管理。此外,天蔚环境传感器已广泛应用于农业、林业、环境监测等领域,市场口碑良好,技术成熟可靠。

一、技术指标
1.供电:DC12V
2.功耗:小于0.1W
3.工作温度:-30~70℃
4.通信接口:RS485
5.工作电流:8mA DC12V
6.最短数据间隔:60S
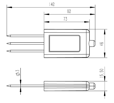
二、产品尺寸图

三、使用注意事项
1.传感器安装应严格按照安装使用说明书进行。
2.多个传感器同时工作时,必须间隔5米以上距离。
3.传感器测量原理限制,传感器测量地为中心半径5米范围内不应有电磁线缆和强磁辐射干扰,
避免造成传感器测量的巨大误差和损坏。
4.传感器的安装环境应该符合传感器的测量范围,避免超量程等不规范行为。
5.传感器安装应避开强酸强碱、重油污重金属环境进行。
6.传感器为土壤测量传感器,禁止将本传感器对其他行为。
7.传感器安装环境不能有强振动。
8.传感器不能有过强外力作用。
9.禁止拆卸,私自拆卸将不提供任何服务。
10.传感器探针较为锋利,使用时应按规定注意佩戴护具。
11.设备使用和维护应严格按照上述注意事项进行,如有违规使用的行为,本司不承担相关负责。
四、传感器参数
| 参数 | 测量范围 | 精度 | 分辨率 | 单位 |
| 土壤电导率 | 0~20000 | ±3%(15℃,0~10000us/cm)±5%(全量程) | 1 | us/cm |
| 土壤含盐量 | 0~12800 | ±3% | 1 | mg/L |